Retour vers produits
Voir les plans techniques

Moabi 28 Pêne dormant 1/2 tour, à cylindre - Axe à 40mm

Avantages produit

  • Serrure à mortaiser pour porte bois et métal conforme aux exigences du marché du tertiaire
  • Certification NF - Articles de quincaillerie (NF040) niveau 3 - Avec des résultats 2 fois supérieurs au référentiel AFNOR; Endurance: 1 000 000 cycles sur le 1/2 tour - Corrosion: 480 heures au brouillard salin
  • La serrure pourra être installée sur une porte droite ou gauche, en inversant le pêne 1/2 tour juste avant l'installation sur la porte. Aucun outil spécifique n'est requis
  • Compatible avec tous les cylindres à profil européen équipés d'un panneton DIN
  • Compatible avec l'utilisation d'un ferme-porte grâce à la forme de la tête de 1/2 tour et à la souplesse du ressort
  • Un large choix d'ensembles sur plaque ou sur rosace pourra être installé sur notre serrure; Les emplacements pour les vis traversantes, suivant la norme DIN, ont été intégrés à notre boitier
  • Elle est livrée avec sa gâche
Pêne demi-tour réversible
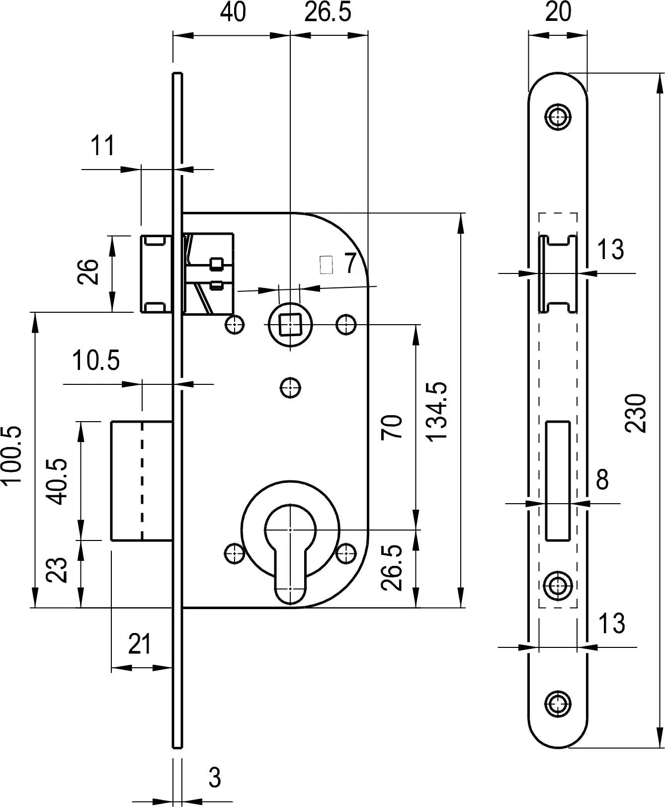
Entraxe 70
Cylindre profil européen

Suggestion d'application

Espace de co-working, Education, Hôpitaux, Hôtels, Sites industriels, Moyennes et grandes entreprises, Bureaux, Usines, Etablissements recevant du public, Petites et moyennes entreprises

Caractéristiques techniques

Fonctionnalités

Type de poseSerrure à mortaiser
Type de fonctionnementActionné par le cylindre
Points de fermeture1 point
Type de manoeuvreCylindre profil européen
Commande de FermetureA gorge
Type de pênePêne dormant et 1/2 tour
Fonctionnement du pêne dormantStandard
Type de pêne demi tourPêne 1/2 tour standard
Pêne demi tour réversibleOui
Compatible avec gâches électriquesOui

Marquage NFNF
Classification NF EN 12209:20043S400C3HA20

Entraxe (mm)70
Axe têtière incluse (mm)40
Hauteur du coffre (mm)134
Largeur du boîtier 
Épaisseur du coffre (mm)13
Matière du coffreAcier
Finition du coffreGalvanisé
Forme du pêne dormantRectangulaire
Matière standard du pêne dormantAcier & Zamak
Dimensions du pêne dormant (mm)40.5 x 8 mm
Saillie pêne dormant (mm)21
Saillie du pêne demi tour (mm)11
Matière du pêne demi-tourInox fritte
Type de fouillotFouillot standard
Fouillot (mm)7
Matière standard du fouillotZamak
Type de têtièreRonde
Forme de la têtièrePlate
Longueur de la têtière (mm)230
Epaisseur têtière (mm)3
Largeur de la têtière (mm)20
Matière de la têtièreAcier inoxydable, Acier
Finition standard de la têtièreRevêtement cataphorèse noir, Nickelé, Acier inoxydable brossé

Trouver un distributeur DOM

Trouvez facilement le distributeur de produits DOM le plus proche de vous.