Retour vers produits
Voir les plans techniques

Moabi 25 Magnétique Bec de cane magnétique - Axe à 40 ou 50 mm

Avantages produit

  • Serrure à mortaiser pour porte bois et métal conforme aux exigences du marché du tertiaire
  • Fonctionnement silencieux et durable grâce à la tête de 1/2 tour magnétique. Il n'y a aucun frottement entre la serrure et la gâche
  • La serrure pourra être installée sur une porte droite ou gauche, sans aucune intervention sur la serrure
  • Compatible avec l'utilisation d'un ferme-porte de par l'absence de contact entre la serrure et la gâche
  • Un large choix d'ensembles sur plaque ou sur rosace pourra être installé sur notre serrure; Les emplacements pour les vis traversantes, suivant la norme DIN, ont été intégrés à notre boitier
  • Elle est livrée avec sa gâche
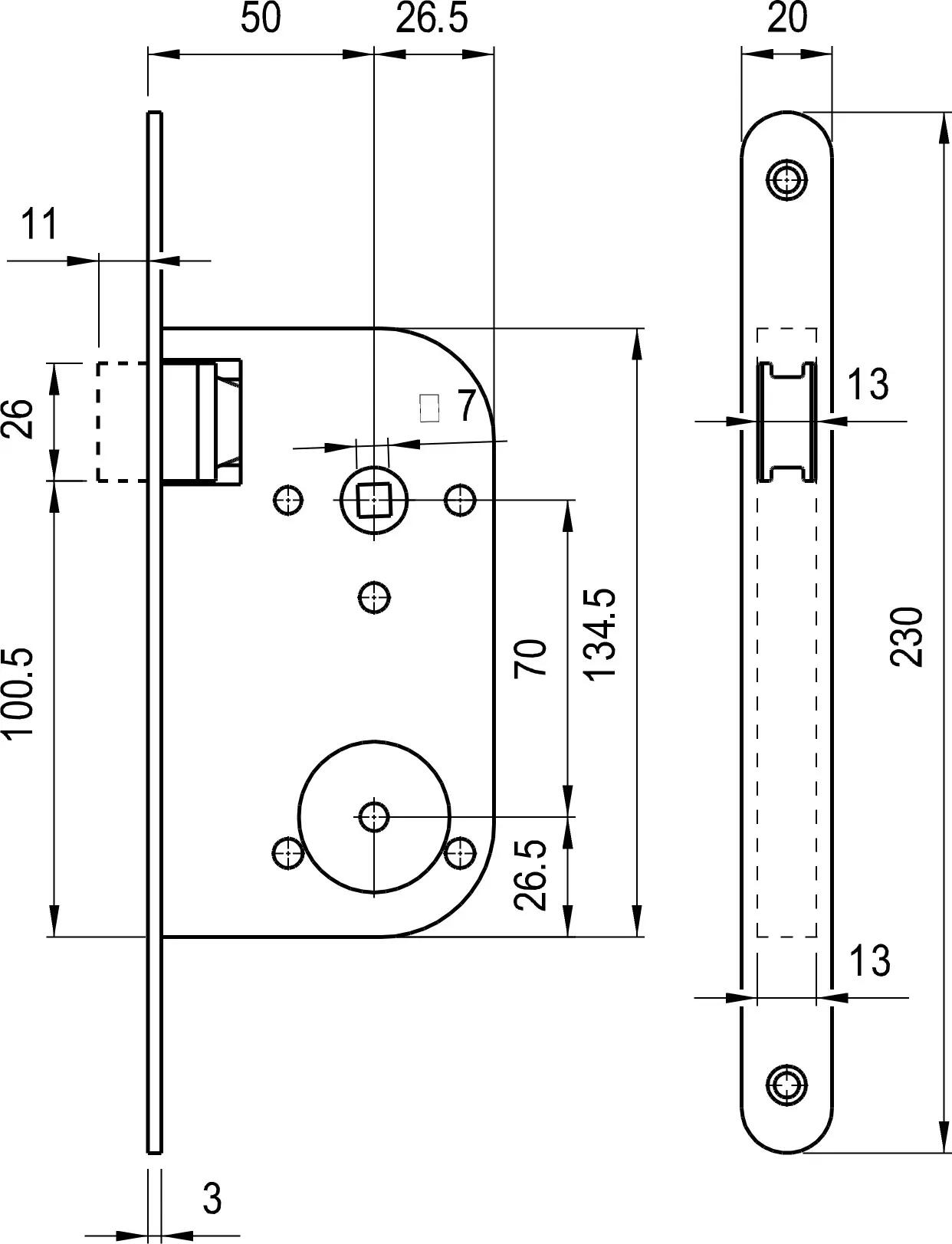
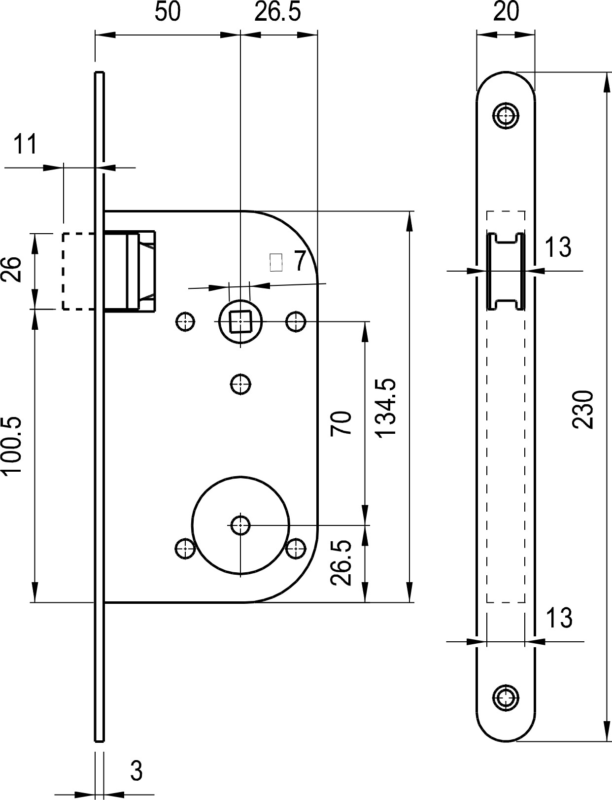
Entraxe 70

Suggestion d'application

Espace de co-working, Education, Hôpitaux, Hôtels, Sites industriels, Moyennes et grandes entreprises, Bureaux, Usines, Etablissements recevant du public, Petites et moyennes entreprises

Caractéristiques techniques

Fonctionnalités

Type de poseSerrure à mortaiser
Points de fermeture1 point
Type de pênePêne ½ tour magnétique
Type de pêne demi tourMagnétique
Sens d'ouvertureUniversel (Standard & sens inverse)
Compatible avec gâches électriquesNon

Entraxe (mm)70
Axe têtière incluse (mm)40, 50
Hauteur du coffre (mm)134
Largeur du boîtier 
Épaisseur du coffre (mm)13
Matière du coffreAcier
Finition du coffreGalvanisé
Saillie du pêne demi tour (mm)11
Matière du pêne demi-tourPOM
Type de fouillotFouillot standard
Fouillot (mm)7
Matière standard du fouillotZamak
Type de têtièreRonde
Forme de la têtièrePlate
Longueur de la têtière (mm)230
Epaisseur têtière (mm)3
Largeur de la têtière (mm)20
Matière de la têtièreAcier inoxydable
Finition standard de la têtièreBrossée
Sens d'ouvertureUniversel (Standard & sens inverse)

Trouver un distributeur DOM

Trouvez facilement le distributeur de produits DOM le plus proche de vous.