Retour vers produits
Voir les plans techniques

Moabi 24 Magnétique Pêne dormant 1/2 tour magnétique, à clé L - Axe à 40 ou 50 mm

Avantages produit

  • Serrure à mortaiser pour porte bois et métal conforme aux exigences du marché du tertiaire
  • Fonctionnement silencieux et durable grâce à la tête de 1/2 tour magnétique. Il n'y a aucun frottement entre la serrure et la gâche
  • La serrure pourra être installée sur une porte droite ou gauche, sans aucune intervention sur la serrure
  • Compatible avec l'utilisation d'un ferme-porte de par l'absence de contact entre la serrure et la gâche
  • installé sur notre serrure; Les emplacements pour les vis traversantes, suivant la norme DIN, ont été intégrés à notre boitier
  • Elle est livrée avec sa gâche
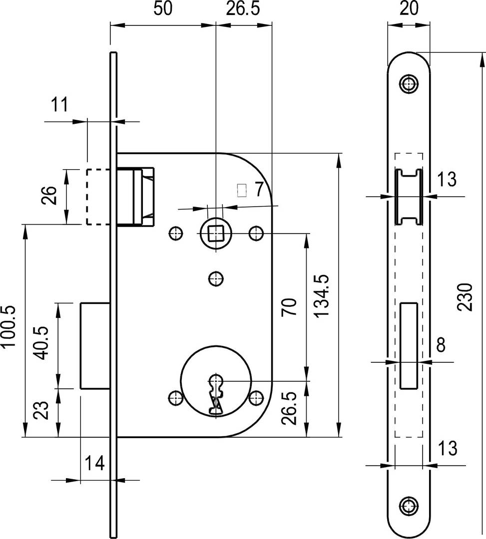
Entraxe 70

Suggestion d'application

Espace de co-working, Education, Hôpitaux, Hôtels, Sites industriels, Moyennes et grandes entreprises, Bureaux, Usines, Etablissements recevant du public, Petites et moyennes entreprises

Caractéristiques techniques

Fonctionnalités

Type de poseSerrure à mortaiser
Points de fermeture1 point
Type de manoeuvreSerrure à clé à simple panneton
Commande de FermetureA gorge
Type de pênePêne dormant et ½ tour magnétique
Fonctionnement du pêne dormantStandard
Type de pêne demi tourMagnétique
Sens d'ouvertureUniversel (Standard & sens inverse)
Nombre de tours de clé1
Compatible avec gâches électriquesNon

Nombre de clés2
Matière de la cléZamak
Entraxe (mm)70
Axe têtière incluse (mm)40, 50
Hauteur du coffre (mm)134
Largeur du boîtier 
Épaisseur du coffre (mm)13
Matière du coffreAcier
Finition du coffreGalvanisé
Forme du pêne dormantRectangulaire
Matière standard du pêne dormantAcier & Zamak
Dimensions du pêne dormant (mm)40.5 x 8 mm
Saillie pêne dormant (mm)14
Saillie du pêne demi tour (mm)11
Matière du pêne demi-tourPOM
Type de fouillotFouillot standard
Fouillot (mm)7
Matière standard du fouillotZamak
Type de têtièreRonde
Forme de la têtièrePlate
Longueur de la têtière (mm)230
Epaisseur têtière (mm)3
Largeur de la têtière (mm)20
Matière de la têtièreAcier inoxydable
Finition standard de la têtièreBrossée
Sens d'ouvertureUniversel (Standard & sens inverse)

Trouver un distributeur DOM

Trouvez facilement le distributeur de produits DOM le plus proche de vous.