Retour vers produits
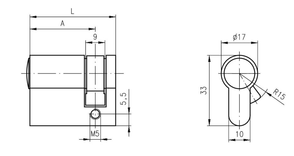
Voir les plans techniques

DOM RS Sigma Cylindre de capacité combinatoire d'exception, clé conventionnelle

Le cylindre RS Sigma est le système de verrouillage "marque déposée" destiné aux clients qui recherchent un haut niveau de sécurité tout en maîtrisant les coûts. Ce cylindre est idéal dans les bâtiments neufs ou rénovés, pour le privé ou les collectivités. RS Sigma offre le meilleur pour la hiérarchisation des accès.

Voir la vidéo : comment mesurer un cylindre ?

Avantages produit

  • Le profil de clé est protégé par une marque déposée (copyright)
  • Il assure une protection élevée : jusqu'à 18 interrogations avant ouverture et jusqu'à 12 pistons de contrôle montés latéralement avec un angle précis

  • Il répond à la norme DIN 1303-2015
  • Ce cylindre existe en version A2P*, associé à notre serrure Amazone+
  • Il permet de réaliser des organigrammes très complexes avec carte de propriété. Il est également compatible avec les systèmes électroniques DOM grâce au ClipTac
  • Ce cylindre est éligible au service DOM-illico : vos organigrammes sont fabriqués et expédiés en 4 jours (100 cylindres au maximum)
  • En option: système modulaire, protection maximale contre le perçage et l'arrachage, différentes finitions
  • Ce cylindre est disponible en varié (5 clés) et en organigramme (3 clés).

Varié
Organigramme
Organigramme de type Passe Général et Passe Partiel
Certification EN 1303
Certification Ignifuge
Classification SKG 2 étoiles
Protection anti bumping
Protection anti crochetage
Protection anti-perçage
Carte de propriété
Cylindre à clé conventionelle

Suggestion d'application

Aéroports, Education, Etablissements financiers, Habitat, Hôpitaux, Sites industriels, Moyennes et grandes entreprises, Bureaux, Usines, Etablissements recevant du public, Petites et moyennes entreprises, Hôtels

Caractéristiques techniques

Fonctionnalités

Résistance au feuOui
Type de cléClé conventionnelle
Carte de propriétéOui
Quantité totale d'éléments de verrouillage18
Différentes configurationsVarié, Organigramme PG/PP, Ouverture centrale, Organigramme PG
Protection anti-crochetageOui
Protection anti-bumpingOui
Protection anti-perçage du statorOui
Protection anti-perçage du rotorOui
ModulaireOption
Fonction clé de chantierNon
Disponible pour centre serviceNon
Quantité maximum d'éléments supérieurs6
Quantité d'éléments de verrouillage actifs6
Quantité d'éléments anti-bumping2
Quantité d'éléments anti-crochetage2
Quantité d'éléments passifs12
Finition standardNickelé mat
Matière du stator en standardLaiton

EN 1303:2015160B0C6D
Certification A2P1 *
Classification VdS 2156:1AZ
Classification SKG2 *

Nombre de clés3
Matière de la cléMaillechort
Finition standardNickelé mat
Finitions en optionChromé mat, Chromé brillant, Laiton mat, Laiton poli, Bronze antique, Bronze foncé, Or, Bronze, Noir
Matière du stator en standardLaiton
Bouton standardK6
Panneton standardDIN
Autres types de pannetons en optionRoue dentée 10 dents , Roue dentée 14 dents , PM1, PM2

Boutons disponibles

K1

K3

K4

K5 (uniquement en coloris 01)

K6 - bouton standard

Couleurs disponibles

01 Nickelé mat - finition standard

03 Chromé mat

04 Chromé brillant

05 Laiton mat

06 Laiton poli

07 Bronze foncé

09 Bronze antique

17 Chromé velours noir

25 Doré

27 Chromé mat noir

Trouver un distributeur DOM

Trouvez facilement le distributeur de produits DOM le plus proche de vous.