Back to products
View technical drawing

About

The RONIS 25300AS cam lock is built from high quality materials. The body is cast from a single piece that offers a robust and strong solution with a proven track record of offering a long life cycle. The core itself is made from Zamak and utilises Wafer Technology, providing affordable security for your application. It can also be integrated into new or existing Master Key systems where required.

We offer a wide range of wafer cam locks to suit the market requirements. Depending on your assembly process, we can offer you the best suited lock fixing to ensure an efficient and effective installation. The cam can be secured using a Brass Nut fixing.

Download Industry Catalogue

Features

  • Made from high quality materials providing a strong and robust product that you can rely on.
  • Wafer technology provides an affordable level of security.
  • Includes an extra shoulder on the face of the lock to provide extra security and ensure the key can't be snapped inside the lock.
  • We offer an extensive range of cams to ensure we offer the best locking solution.
  • Available mastered or non mastered, they can be easily integrated into a new or existing system seamlessly providing full control over your security.
  • Offering up to a 8 Wafer barrel and giving you a possible 4000 lock combinations. Lock rotations possible are: 90° Right opening / Left closing and 180° Left & Right.
  • 2 keys are provided as standard with a choice of: Soft Overmoulded, Hard Overmoulded, Hinged and Steel Key options.
  • Secured in place with a Horseshoe Clip or a Nut fixing.
Wafer System
Profile Hole 5

Suggested application of use

Metal Furniture, Electrical Equipment, Retail, Storage, Bicycle

Specifications

Features

Security Type:Wafer System
Available Key Series4R, CC
Available Lock FixingsHorseshoe Clip, Nuts
Standard Cam Family131100
Standard FinishBright Nickel, Bright Chrome

Additional InformationSpecial barrel with anti-snap key function
Number of Keys2
Standard MaterialZamak
Standard FinishBright Nickel, Bright Chrome
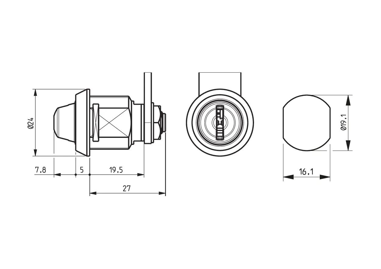
Flats Body A (mm)16.00
Body Diameter B (mm)M19x1
Body Length19.50
Full Length H (mm)27.00

Find a DOM dealer

Find a dealer for DOM products near you :