Back to products
View technical drawing

About

The 14820 push lock is built from high quality Zamak and utilises Wafer Technology, providing affordable security for your application. A key is required to lock and unlock this item.

We offer a wide range of push locks to suit the market requirements. Depending on your assembly process, we can offer you the best suited lock fixing to ensure an efficient and effective installation.

Download Industry Catalogue

Features

  • A key is required to lock and unlock this product.
  • Made from high quality materials providing a strong and robust product that you can rely on.
  • Available mastered or non mastered, they can be easily integrated into a new or existing system seamlessly providing full control over your security.
  • Offering a 5 Wafer barrel and giving you a possible 200 combinations. Lock rotations posbbile are 24° Right opening / Left closing.
  • 2 keys are provided as standard with a choice of: Soft Overmoulded, Hard Overmoulded, Hinged and Steel Key options.
  • Matt Nickel and Bright Chrome finishes are available as standard.
  • Secured in place with a Nut fixing.
Wafer System
Master Key System
Profile Hole 2

Suggested application of use

Metal Furniture, Storage

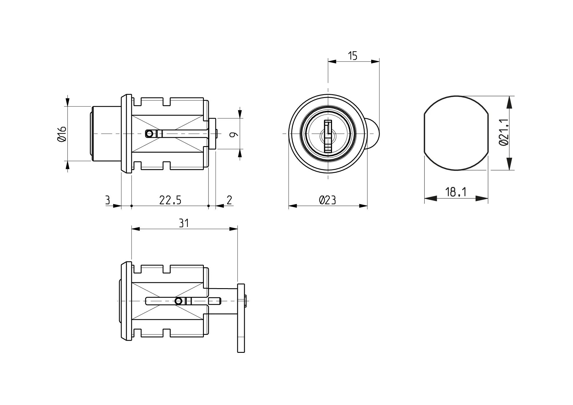
Specifications

Features

Security Type:Wafer System
Available Key SeriesSH, SM
MKS PossibilitiesMaster Key
Available Lock FixingsNuts
Standard Cam FamilyFixed
Standard FinishMatt Nickel, Bright Chrome

Number of Keys2
Standard MaterialZamak
Standard FinishMatt Nickel, Bright Chrome
Flats Body A (mm)18.00
Body Diameter B (mm)21.0
Body Length22.50
Full Length H (mm)33.00

Find a DOM dealer

Find a dealer for DOM products near you :