Back to products
View technical drawing

About

The DOM 31913H9 cam lock is manufactured in Brass. This ensures we can offer a product that is a robust and strong solution with a proven track record of offering a long life cycle. The core itself utilises Pin Technology, providing a high level of security for your application. It can also be integrated into new or existing Master Key systems where required.

We offer a comprehensive range of pin cam locks to suit the market requirements. Depending on your assembly process, we can offer you the best suited lock fixing to ensure an efficient and effective installation . The cam can be secured in place with a Nut fixing.

Download Industry Catalogue

Features

  • Made from high quality materials, with a choice of finishes that provide a strong and robust product that you can rely on.
  • Reversible Pin technology offers a high level of security with extra anti drill protection.
  • Available as a mastered or non mastered system, they can be easily integrated into a new or existing system seamlessly providing full control over your security.
  • Offering a 5 Pin barrel with a possible 100000 combinations. Lock rotations possible 90° Right opening / Left closing.
  • 2 keys are provided as standard with Steel and Nickel key options available.
  • Bright Nickel finish available as standard.
  • We offer an extensive range of cams to ensure we offer the best locking solution.
  • Secured in place with a Brass Nut fixing.
Reversible Pin System
Grand Master Key System
Anti Drill Protection
Profile Hole 5

Suggested application of use

Gambling Machines, Cash Machines, Ticket Machines, Transport, Energy

Specifications

Features

Patent ProtectionYes
Anti Drill ProtectionYes
Security Type:Reversible Pin System
Available Key SeriesPG
MKS PossibilitiesGrand Master Keyed
Available Lock FixingsNuts
Standard Cam Family225
Standard FinishBright Nickel

Patent ProtectionYes
Key Patent ProtectionYes

Number of Keys2
Standard FinishBright Nickel
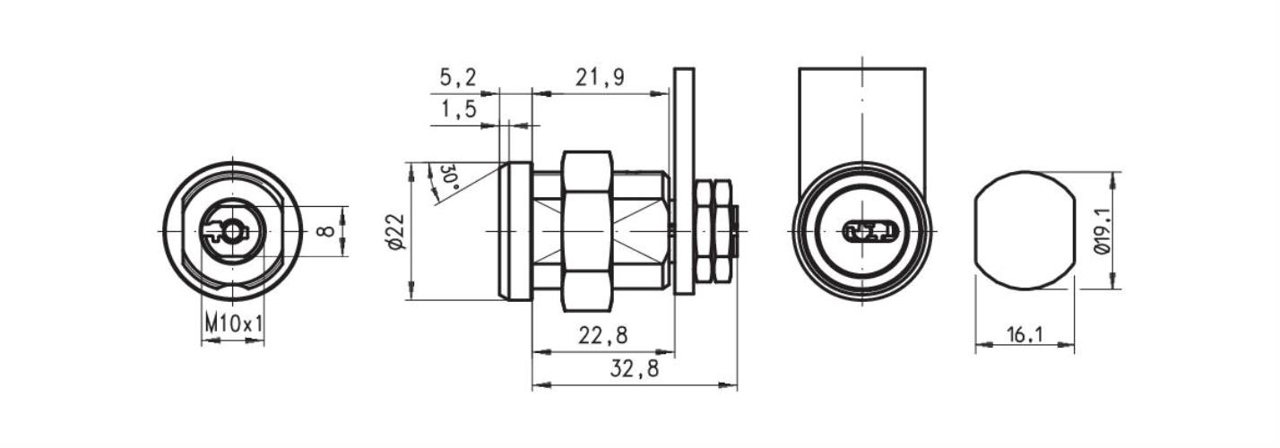
Flats Body A (mm)15.90
Body Diameter B (mm)M19x1
Body Length22.80
Full Length H (mm)32.80

Find a DOM dealer

Find a dealer for DOM products near you :